Название: Расчет турбины К-200-130
Вид работы: реферат
Рубрика: Экономика
Размер файла: 1.32 Mb
Скачать файл: referat.me-384068.docx
Краткое описание работы: Пояснительная записка Содержание Введение Исследования виброактивности регулирующих клапанов системы парораспределения ЦВД паровой турбины К-200-130
Расчет турбины К-200-130
Пояснительная записка
 
Содержание
Введение
Исследования виброактивности регулирующих клапанов системы парораспределения ЦВД паровой турбины К-200-130
Представлены результаты исследований виброактивности регулирующих клапанов цилиндра высокого давления паровой турбины К-200-130-4. Определены амплитудно-частотные характеристки системы парораспределения для различных режимов эксплуатации энергоблока. Установлена связь неустойчивых режимов в работе регулирующих клапанов с вибрационными характеристиками подшипников ротора высокого давления турбины. Отработана система измерений пульсаций давления, как аналога для формирования канала диагностики в системе мониторинга турбоагрегата.
При эксплуатации различных типов и модификаций энергетических паровых турбин отмечаются систематические повреждения элементов их органов парораспределения. В большинстве случаев упомянутые повреждения обусловлены обрывами штоков регулирующих клапанов, искажениями поверхности прилегания чаши клапана к седлу, выпрессовкой седел, а также отклонениями в фиксации сегментов сопел регулирующей ступени. К наиболее распространенным неполадкам в системах парораспределения относятся износ элементов подвески штоков, уплотнительных букс и поршневых колец. Износу подвергаются также тяги, серьги подвески, ограничительные шпильки прижимных пружин, элементы шарнирных соединений и детали механизмов передачи усилий от сервомоторов.
Анализ характера повреждений и результаты исследований, выполненных сотрудниками ЦКТИ, ЛМЗ и МЭИ, свидетельствуют об их вибрационном происхождении. Другими словами, причина частых повреждений и поломок различных элементов системы парораспределения паровых турбин связана с наличием низко и высокочастотных колебаний, приводящих к относительно быстрому набору критического числа циклов их нагружения и, прежде всего, деталей конструкции регулирующего клапана. Так, за три часа эксплуатации детали при частоте нагружения f=100 Гц число циклов достигает значения 106. Зачастую высокочастотные колебания сопровождаются характерными звуковыми эффектами (“пение” клапанов). Отмечаемые эффекты в форме “стука отбойного молотка” свидетельствуют о присутствии низкочастотных колебаний. Все это говорит о возможности возникновения прогрессирующих явлений различных форм усталости элементов рассматриваемой системы, включая малоцикловую и звуковую.
В значительной мере источники и природа явлений неустойчивости исследованы, а их анализ представлен в ранее приведенной ссылке на ряд научных работ. Так, возникновение автоколебательных процессов в регулирующих клапанах объясняется эффектами статической неустойчивости, запаздыванием парового усилия в объемах клапанной и сопловой коробок, переменой знака парового усилия на чаше по мере открытия клапана. Продольные автоколебания могут формироваться вследствие инерционности потока рабочей среды, когда помимо парового усилия на чаше появляется дополнительная возмущающая сила. При совпадении частоты основного тона продольных колебаний чаши и штока клапана с собственными частотами парового объема сопловой коробки и патрубков подвода рабочей среды возникают акустические резонансы, приводящие к росту амплитуды колебаний давления за чашей клапана. Теоретический анализ динамико-акустических характеристик системы "регулирующий клапан – паропровод - сопловая коробка" применительно к паровым турбинам с выносными клапанами выполнен в работе. Его результаты показали, что при сверхкритических режимах течения рабочей среды в сопловых решетках регулирующей ступени пульсации давления приводят в действие переменные усилия в окружном направлении соплового сегмента с амплитудами в несколько десятков килоньютонов, а в осевом направлении - сотен килоньютонов. Такие усилия становятся причиной повреждений сопловых сегментов.
Опыт эксплуатации регулирующих клапанов паровых турбин позволил выработать способы и методы повышения их вибрационной надежности, которые систематизированы. Например, отстройка от резонанса возможна путем изменения собственных частот механических колебаний клапанной системы или ее звеньев, а так же частоты внешних возмущающих сил 
посредством изменения геометрических и массогабаритных параметров (диаметра и длины штока клапана, массы его чаши и пр.). В некоторых случаях кардинальной мерой является полная замена конструкции клапанов с изменением посадочных диаметров. Положительные результаты дала модернизация клапанов, заключающаяся в отказе от поршневых колец и введении парового нагружения чаши с помощью окон в защитном стакане. Известно, что виброактивность регулирующих клапанов резко возрастает не только при малых степенях открытия клапана, но и в области зоны перемены знака парового усилия. В этом случае работа возмущающих сил увеличивается вследствие роста амплитуды колебаний из-за люфтов в сочленениях элементов подвески клапана или его передаточного механизма. В связи с этим эффективными являются такие мероприятия, которые связанны с нейтрализацией люфтов, устранением неплотностей и подтяжкой резьбовых соединений. В ряде конструкций РК их виброактивность снижают путем использования различных схем демпфирования. Повышение вибрационной надежности клапанов в эксплуатационных условиях достигается реализацией ряда режимных ограничений. Речь идет об изменении электрической нагрузки энергоблока для выведения виброактивного клапана из области его малых открытий. Если же необходимо в течение длительного времени поддерживать заданную нагрузку, то осуществляют перестройку системы регулирования, изменяя последовательность открытия РК.
Очевидно, что неустойчивость в работе регулирующего клапана в той или иной мере определяется аэродинамической природой нестационарных процессов в проточной части его каналов. Эти процессы, как источники автоколебаний, можно условно классифицировать по акустической, волновой и вихревой формам проявления аэродинамических особенностей течения. Так акустическая неустойчивость обусловлена особенностями истечения струи водяного пара в области чаши клапана. Камера сопловой коробки, как акустическая система, выбирает из поступающей в нее рабочей среды (шума) соответствующие полосы частот и усиливает их. Усиление колебаний происходит в том случае, если скорость поступления энергии в данной моде колебаний превышает скорость диссипации энергии. Основными факторами усиления колебаний здесь являются регулярные пульсации давления и изменения проходных сечений системы.
Частоты колебаний определяются геометрией присоединенных к РК камер, импендантами их входного и выходного сечений, а также скоростью звука рабочей среды. При данном виде неустойчивости могут возбуждаться как продольные, так и радиальные (тангенциальные) моды колебаний. Волновая неустойчивость оценивается эффектами сверхзвуковых течений, которые могут происходить в области чаши клапана при малых его открытиях. Частотные характеристики колебаний в этом случае формируются нестационарностью различных видов волновых явлений (скачки уплотнения, волны разрежения и сжатия).
Вихревая неустойчивость определяется эффектами вихревых образований и закрутки потока. При движении вихрей с частотами, совпадающими или превышающими в нечетное число раз собственные акустические частоты камеры, возникают явления резонанса, при котором амплитуда пульсаций давления существенно возрастает. Поскольку течение в клапанной коробке и за чашей клапана является закрученным, то могут формироваться прецессионные колебания потока и чаши. Если частота прецессии совпадает с собственной частотой акустических колебаний сопловой коробки, то происходит возбуждение колебаний. Обычно прецессия вихревого ядра (ПВЯ) за чашей клапана формирует низкочастотные колебания давлений большой амплитуды. Резонирующими полостями являются также трубы и патрубки подвода пара к РК. Следует отметить, что приведенные аэродинамические процессы в регулирующих клапанах паровых турбин а также различные формы поперечных колебаний чаши, определяемых, например, эффектами “галлопирования”, практически не исследованы. В целом для неустойчивости системы характерно взаимодействие между процессами происходящими в РК и всеми другими компонентами системы (трубопровода подвода острого пара, сопловой коробкой, элементами регулирующей ступени). Каждый компонент на поступающее в него возмущение реагирует с некоторым запаздыванием. Это вызывает зависящие от частоты входящего импульса сдвиг фазы и изменение амплитуды в возмущениях, выходящих из рассматриваемого компонента.
Очевидно, что виброактивность регулирующих клапанов ЦВД напрямую связана с общим вибрационным состоянием турбоагрегата и в большей степени с вибрацией ротора высокого давления (РВД). Эта связь при сопловом парораспределении турбины обусловлена воздействием на ротор пульсаций давления (расхода) водяного пара, расширяющегося в той части сопловой решетки регулирующей ступени, которая обслуживается вибронеустойчивым клапаном. Следствием повышенной вибрации валопровода турбины является рост повреждаемости ее подшипников. Важно отметить, что все рассматриваемые проблемы возникают, как правило, при переходных режимах и несении частичных нагрузок турбоагрегатом. Шатурская ГРЭС-5 выполняет в рамках ОАО “Мосэнерго” функции полупиковой электростанции и большинство ее энергоблоков работают в переменных режимах нагрузок с частыми пусками и остановами Отмеченные обстоятельства потребовали для системы вибромониторинга турбин К-200-130 разработки диагностируемого признака, определяющего как уровень виброактивности РК, так и степень ее влияния на уровень вибрации валопровода турбоагрегата.

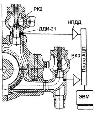
Рис. 1.1 Схема автоматизированной системы измерений пульсаций давления в регулирующих клапанах паровой турбины К-200-130.
Для решения этой задачи требуется получение амплитудно-частотных характеристик регулирующих клапанов конкретной турбины энергоблока при различных режимах его эксплуатации, включая режимы пусков и остановов. Параллельно решалась задача проверки технических средств реализации измерительного канала для системы мониторинга. Схема автоматизированной системы измерений пульсаций давления, использованная в данной работе, представлена на рис.1. По согласованию с АООТ “Ленинградский металлический завод” для исследования были выбраны клапаны РК2 (разгруженный) и РК3 (неразгруженный). Посадочный диаметр регулирующих клапанов D=150 мм. Особенностями конструкции клапанов являются наличие защитного стакана и выполнение чаш колоколообразной формы с перфорированной отверстиями кормовой частью. Диаметр разгрузочного клапана d=46 мм.
Точка отбора давлений за РК2 находится на внутренней поверхности диффузорного канала седла клапана и соединяется с приемной частью датчика пульсаций посредством штатной импульсной линии к манометру, регистрирующему давление за клапаном. Датчик пульсаций давлений в РК3 установлен непосредственно в корпусе клапана и позволяет регистрировать пульсационные характеристики за диффузорным каналом его седла. Поскольку характеристики подъема штоков клапанов РК1 и РК2 близки, а клапан РК4 в большинстве режимов эксплуатации энергоблока закрыт, то информацию, получаемую от двух датчиков для данной системы парораспределения, можно считать представительной.
Выбор типа датчика пульсаций давления осуществлялся из условий возможности его применения при высоких давлениях перегретого водяного пара (р0=13 МПа), а также при сложных температурных состояниях рабочей среды и корпусных элементов турбины (t=550 0С). Частотная характеристика датчика должна соответствовать измеряемым колебаниям давления с частотами до нескольких килогерц. Были установлены требования к статической точности, чувствительности к изменению внешних условий эксплуатации датчика, виду и значению выходного сигнала. В результате был выбран индуктивный тип датчика модификации ДДИ-21 в комплекте с высокочастотным нормирующим преобразователем НПДД (см. рис.1). Для сбора информации в персональном компьютере использовалась плата АЦП серии L-1250.
Запись информации в ЭВМ осуществлялась с помощью программ исполнителей с промежутком времени 10 минут в течение 1,5 месяцев эксплуатации энергоблока. Обработка файлов с полученной информацией проводилась программами спектральной обработки и статистического анализа. Выполнялся гармонический анализ спектров пульсаций давления и вибрации в зависимости от времени для многочисленных режимов работы турбоагрегата по его нагрузке. Для регистрации вибрации опор РВД турбины использовался портативный многоканальный виброкомплекс производства НПП “МЕРА”. Измерялись вертикальная и горизонтально-поперечная составляющие вибрации корпусов подшипников. Обработка результатов измерений уровней вибрации проводилась с помощью программной инструментальной среды ПОС НПП “МЕРА”. При вибрационном анализе выделялся частотный диапазон 10…1000 Гц.
Далее представлена выборочная информация о пульсационных характеристиках регулирующих клапанов ЦВД турбины К-200-130 для наиболее характерных режимов ее эксплуатации, к которым относятся режимы пуска, останова и ряда режимов длительного несения постоянной нагрузки. Эта информация дается в форме графиков пульсаций давления (спектральных характеристик) для различных диапазонов по частотам, которые необходимо учитывать при создании системы вибромониторинга. Полученные спектрограммы свидетельствуют о нестационарности процессов течения рабочей среды в каналах системы парораспределения. В качестве примера (рис. 1.2) рассматривается диапазон частот пульсаций давления от 450 до 600 Гц во временном отрезке с 11:00 до 14:20 при изменении нагрузки турбины от 80 до 110 МВт.
На данной спектрограмме по вертикальной оси отложен диапазон зафиксированных значений пульсаций давления (от 0 до 1,2 МПа с интервалом 0,3 МПА), по горизонтальной оси - диапазон частот (от 450 до 600 Гц с интервалом 37,5 Гц), а по третьей оси соответствующий диапазон времени регистрации. Спектрограммы представлены с градуировкой интервала времени dt=20 мин, т.е. в одном отрезке шкалы показаны два спектра пульсаций давления. Видно весьма существенное изменение не только амплитуд отдельных гармоник, но и частот этих гармоник. Так, например, в 11:10 (вторая запись по времени) наибольшей является гармоника с частотой около 590 Гц и амплитудой пульсаций на уровне 0,6 МПа. В следующей записи по времени частота уменьшается до 580 Гц, а амплитуда увеличивается до 1,1…1,2 МПа. Вследствие того, что нижняя сопловая коробка обслуживается регулирующим клапаном РК3, который закрыт в данном режиме, наличие пульсационных характеристик в спектрограмме нижнего датчика говорит об аэродинамической связи сопловой коробки и регулирующей ступени. При этом обнаружена общность, как в частотном спектре, так и в уровне амплитуд пульсаций для рассматриваемых элементов ЦВД.
 
а)
б)
Рис. 1.2 Примеры спектральных характеристик пульсаций давления.
а) - РК2 (верхний датчик);б) - РК3 (нижний датчик).
Результаты проведенных исследований показали наличие как высокочастотных (50…1000 Гц), так и низкочастотных (15…25 Гц) пульсации давления с амплитудами, достигающими значений 1,5…1,7 МПа. Такой уровень пульсаций является причиной сокращения ресурсных характеристик наиболее слабых элементов системы парораспределения. Важной следует признать существенную зависимость частоты пульсаций давления в РК от режима по нагрузке турбоагрегата. Отмечены различные формы тренда частот, включая и скачкообразные. Стабильность частотных характеристик наблюдается в установившихся режимах несения номинальной и близкой к номинальной нагрузках энергоблока. Особенно неблагополучны режимы несения частичных нагрузок при малых степенях подъема штока регулирующего клапана. Можно предположить что, обусловленность подобной нестационарности объясняется не только особенностями процессов в регулирующем клапане, но и изменением характеристик парового потока в котельном агрегате и паропроводах. Сюда же следует отнести и влияние на нестационарность неустановившихся режимов по нагрузке турбоагрегата, когда в короткий промежуток времени мощность изменяется на 1…3 МВт. Таким образом при удовлетворительной виброактивности регулирующих клапанов, высокочастотные пульсационные характеристики потока рабочей среды за ними могут иметь повышенные уровни амплитуд. Они проявляются не только неявным образом в процессах накопления усталостных эффектов в элементах системы парораспределения, но и отражаются в форме тренда или резких скачков уровня вибрации опор валопровода турбины.
Особенности пусковых режимов показаны на основе результатов испытаний, представленных на рис. 1.3, а и б для различных частотных диапазонов. На рис. 1.3, (а) даны спектральные характеристики пульсаций давления по соответствующим частотам в диапазоне нагрузок N от 0 до 20 МВт. На рис. 1.3, (б) представлены аналогичные характеристики для условий частичного открытия клапанов РК1 и РК2 в диапазоне нагрузок от 10 до 50 МВт.
Первая особенность полученных результатов состоит в том, что пульсации давления начинаются с момента открытия клапанов (см. рис. 3, а). По отношению к давлению рабочей среды после клапана их уровень достаточно высок (15…25 %), а в частотном диапазоне, соответствующем собственным частотам колебаний разгруженной конструкции клапана (500…600 Гц), пульсации по абсолютному значению достигают уровня 1,6 МПа (см. рис. 3, б). Вторая особенность заключается в генерации РК высокочастотного спектра пульсаций давления. Представленные спектрограммы свидетельствуют о диапазоне частот 275…750 Гц. В качестве третьей особенности можно принять избирательность частот возмущений рабочей среды за 
открывающимся клапаном в зависимости от степени его открытия. Как правило, с подъемом чаши клапана частота пульсационных характеристик растет. При этом в ряде областей частотного поля отмечаются и обратимые вариации частот. Четвертая особенность отмечает правильность ранее сделанного вывода об аэродинамической связи сопловых коробок по пульсационным характеристикам. 
 
 
а)
б)
Рис. 1.3. Примеры спектральных характеристик пульсаций давления в РК2 для условий первого пускового режима энергоблока.
Итак, полученные результаты подтверждают известный факт повышенного уровня виброактивности регулирующих клапанов в режимах несения частичных нагрузок турбины, определяемых малой степенью подъема штоков клапанов. По отношению к давлению пара после его дросселирования уровень пульсаций давления может достигать 30 % при их относительно высоких частотах. В той же мере приведенные особенности проявляются и для режимов останова турбины.
Пример графика пульсаций давления для условий длительного несения частичной нагрузки 80…85 МВт, чаще всего устанавливаемой диспетчерским графиком нагрузок для исследованного энергоблока, представлен на рис. 1.4, (а). Такой режим по нагрузке соответствует условиям частичного открытия клапанов РК1 и РК2, обслуживающих верхние сопловые коробки, при закрытых остальных клапанах ЦВД. Полученные обобщенные результаты таких испытаний свидетельствуют о меньшем вкладе низкочастотных составляющих в общий спектр пульсаций. Отмечается высокая чувствительность пульсационных процессов к небольшим отклонениям положения штоков клапанов и избирательность пульсаций по частотам.
Особенности пульсационных характеристик при эксплуатации энергоблока с номинальной нагрузкой 200 МВт анализируются по результатам испытаний, представленным на рис. 4, б. Данная нагрузка обеспечивается работой уже трех регулирующих клапанов. При этом клапан РК3, снабженный датчиком пульсаций давления, находится в условиях частичного открытия. Особенность данного режима – отсутствие значимых пульсаций на частотах 50 и 100 Гц. Преобладающей в РК2 и РК3 оказалась низкочастотная составляющая с 10 Гц при уровне пульсаций около1,5 МПа.
Главной особенностью переходных режимов при изменении нагрузки энергоблока является тренд частот пульсаций давления. Например, с ростом мощности блока от 80 до 175 МВт частота пульсаций плавно увеличивается от 200 до 275 Гц, а с дальнейшим ростом мощности до 200 МВт частота сокращается до 225 Гц.

 
а)
б)
Рис. 1.4. Примеры спектральных характеристик пульсаций давления в РК2.
а - при частичной нагрузке энергоблока; б -при номинальной нагрузке энергоблока.
Такой же тренд пульсаций давления происходит и в других диапазонах по частоте. Аналогичная картина наблюдается в переходных режимах, определяемых снижением нагрузки энергоблока. При этом тренд частот может быть различной формы: линейной и нелинейной, Z-образной и S-образной. Стабильность частоты пульсаций отмечается только в условиях установившегося режима эксплуатации энергоблока.
Взаимосвязь вибрационных характеристик элементов системы парораспределения турбины и ее валопровода рассматривалась в работах специалистов ЛМЗ, МЭИ, ЦКТИ, на основе которых получены первичные результаты анализа этой сложной и малоисследованной проблемы. Исследования вибрационного состояния турбин со сверхкритическими параметрами показали, что повышенная вибрация РВД возникает в диапазоне нагрузок, определяемом малой и средней степенью открытия клапанов, где отмечается их высокая виброактивность.
Была выдвинута гипотеза о том, что данная вибрация формируется от переменных изгибных воздействий на ротор из-за пульсаций расхода рабочей среды в сегментах сопловой решетки регулирующей ступени, обслуживаемых виброактивными клапанами. При этом отмечается высокая повреждаемость радиальных подшипников РВД, определяемая износом баббитовой заливки нижних вкладышей, что нарушало радиальную центровку ротора. Другими словами, в ряду таких определяющих факторов влияния на повреждаемость подшипников, как особенности центровок подшипников и линии валопровода, эксплуатационные расцентровки опор под воздействием трубопроводов и нагрева фундаментов, проблемы тепловых расширений цилиндров и скольжения корпусов подшипников по опорным поверхностям фундаментных рам, фактор влияния вибрационных характеристик системы парораспределения на уровень вибрации ротора турбины является равнозначным.
Проведенные в данной работе исследования на турбине докритических параметров позволили не только расширить статистическую базу результатов взаимосвязи вибраций клапанов и роторов паровых турбин, выявить их общие закономерности, но и установить особенности проявления этих взаимосвязей для данного класса турбин. Например, в турбинах К-200-130 применяются конструкции радиальных подшипников со сплошными вкладышами, которые в отличие от турбин СКД с сегментными подшипниками способствуют более сильному влиянию условий работы системы парораспределения на вибрационное состояние ротора и, в первую очередь, на его низкочастотную вибрацию (НЧВ).
В качестве единичного примера в данной статье приведены спектральные характеристики вибрации опор ротора высокого давления, полученные при нагрузке турбоагрегата 82 МВт (рис.1.5).


Рис. 1.5. Спектральные характеристики вибрации опор N 1 и 2 РВД при нагрузке Nэ = 82 МВт.
Отмечается полигармонический характер вибрации. В спектрах виброскорости для представленного частотного диапазона одной из основных является гармоника оборотной частоты, которая вносит определяющий вклад в параметр интенсивности вибрации (виброскорость). Наряду с ней существенными следует считать и гармоники ряда других кратностей (например, с частотами 100 и 400 Гц). Частота 400 Гц характерна для опоры N 1 и, скорее всего, отражает ее резонансное возбуждение по собственной частоте в определенном диапазоне нагрузок. В полученных многочисленных спектрах виброскорости присутствует достаточно сложный высокочастотный гармонический спектр, который наиболее характерен для частотного диапазона 350…700 Гц. Данный диапазон связывается с возбуждением от пульсаций давления в системе парораспределения. Предварительная оценка собственных частот колебаний элементов разгруженной конструкции регулирующего клапана (РК2) и неразгруженной конструкции (РК3) дает диапазон частот возбуждения 200…1100 Гц. Иначе говоря, отмечаемый рост общего уровня вибрации в основном обусловлен высокочастотными составляющим, начиная с 50 Гц и более высокими, кратными ей.
Наибольшая степень влияния пульсаций давления в РК наблюдается на ближайших к ним областях валопровода, что реализуется в исследованной турбине на ближайших к органам парораспределения ЦВД опорах. На рис. 6 представлены зависимости изменения суммарной виброскорости опор N 1 и 2 в период испытаний. Наиболее отчетлива связь параметра вибрации опоры с режимом открытия клапана РК3. Скачкообразный характер изменения виброскорости обусловлен ударным воздействием рабочей среды за клапаном при его открытии, выражающемся в изменении вектора окружной составляющей силы, действующей в регулирующей ступени. Тренд виброскорости в горизонтальном направлении для опоры N 2 свидетельствует о появлении дополнительной поперечной составляющей этой силы и ее влиянии на параметр вибрации опоры. Корреляция всплесков вибрации с указанными ранее частотами возбуждения элементов регулирующих клапанов может свидетельствовать о соответствующих формах проявления их автоколебаний.
В одном из выводов данной работы говорится о наличии в исследованной турбине вибрации квазистационарного характера и связь ее с пульсациями давления в системе парораспределения. Это, прежде всего, взаимосвязь тренда виброскорости по времени (нагрузке) и соответствующего тренда пульсаций давления в РК. Известно также, что причинами квазистационарной вибрации являются тепловой дисбаланс разного происхождения, тепловая
(режимная) расцентровка, электромагнитные возбуждения [12]. Можно отметить и очевидное присутствие переменных по знаку изменений интенсивности вибрации на разных режимах. 

Рис. 1.6. Характер изменения суммарной виброскорости опор N 1 и 2 РВД в вертикальном и поперечном направлениях при росте нагрузки энергоблока от 80 до 167 МВт.
В ряде случаев наблюдаются скачкообразный характер изменения параметра интенсивности вибрации и его повышенный уровень. Это говорит о существенной роли в рассматриваемых процессах аэродинамической нестационарности, которая может определять нестационарный характер вибрации валопровода турбины.
Следует отметить, что в рамках проведенных испытаний масштаб изменения вибрации от такой нестационарности меньше, чем от других источников ее появления (обрывы деталей ротора, проскальзывание элемента опорной системы ротора после заедания). Признаком вибрации от аэродинамической нестационарности в системе парораспределения можно считать увеличение вибрации мелкими скачками, неравномерно распределенными по времени. Другим признаком может служить избирательность неравномерности вибрации по частотному диапазону, соответствующему собственным частотам колебаний регулирующих клапанов.
Наличие богатого спектра высокочастотных составляющих гармоник можно рассматривать как признак акустических и автоколебательных явлений в системе парораспределения. Принимая во внимание, что механизмы автоколебаний в каждом конкретном случае имеют свои особенности, дать однозначную трактовку этим явлениям для конкретной конструкции клапана и соответствующего режима по нагрузке турбины можно лишь на основе специальных исследований. Например, при отрыве чаши клапана от посадочной поверхности седла могут возникать ударные нагрузки в объеме сопловых коробок из-за высоких уровней пульсаций давления. Они, в свою очередь, вызывают сложногармоническую вибрацию ротора турбины с богатым спектром высоких частот, кратных частоте возмущения. При этом следует выявлять различия в проявлении высокочастотной вибрации от таких дефектов, как коленчатость ротора, ослабления в креплениях опор, износ баббитовой заливки вкладышей подшипников, трещина в роторе и разного рода задевания [12-14]. Особенно сложно диагностировать эффекты акустических явлений в органах парораспределения. Например, наличие при малых степенях открытия клапана сверхзвуковых течений в области его чаши приводит к возможности формирования акустических резонансов в сопловой коробке (с учетом 
каналов сопловой решетки регулирующей ступени). В большей степени подобные эффекты могут инициировать разного рода отрывы потока, а также поперечные колебания чаш клапанов. Отсюда очевидная и значимая роль пульсаций в формировании разного рода силовых воздействий, как в объеме сопловой коробки, так и через регулирующую ступень на валопровод турбины.
Таким образом, сопоставление реальных гармоник вибраций опор ротора высокого давления турбины, частотного спектра пульсаций давления за регулирующими клапанами и результатов расчета собственных частот клапанной системы показало взаимную обусловленность рассматриваемых процессов, резонансную возбуждаемость от неуравновешенности ротора и наличие автоколебательных процессов в сопловой коробке.
Одним из основных результатов данной работы следует считать вывод о том, что виброактивность регулирующих клапанов можно идентифицировать с пульсациями давления в сопловых коробках. Они, в свою очередь, характеризуются частотой и амплитудой. Спектр частот в зависимости от режима эксплуатации энергоблока оказался достаточно широким и включает как низкочастотные составляющие, так и высокочастотные гармоники. Из-за многообразия частотных характеристик пульсаций давления использовать их для однозначной идентификации виброактивности регулирующих клапанов затруднительно. Поэтому наиболее целесообразным следует считать выбор в качестве признака повышенной виброактивности РК уровень амплитуды пульсаций давления. В системе мониторинга превышение амплитуды сверх установленного предельного значения может служить сигналом для реализации мер, способствующих снижению виброактивности РК.
В период эксплуатации основной мерой является изменение режима по нагрузке энергоблока. Как показали результаты исследования, зачастую достаточно небольшого изменения мощности турбины для снижения уровня пульсаций в клапанах. Предлагаемый признак является универсальным, так как охватывает весь спектр частот. Его можно выполнить по нескольким характерным диапазонам последних в зависимости от уровней пульсаций, которые должны формировать в системе мониторинга контролирующие команды. Не менее важным при решении рассматриваемой задачи является выбор алгоритма обработки сигналов, учитывающего особенности временных и частотных характеристик пульсаций давления в сопловых коробках. Поскольку форма и частотный состав пульсационных процессов в зависимости от характера возбуждающих сил и условий их передачи к первичному измерительному преобразователю определяются, как правило, комбинацией случайных и периодических колебаний, то необходим параметр, объективно оценивающий интенсивность пульсаций давления. Исполнителями для разрабатываемого канала системы мониторинга принято считать среднее квадратичное отклонение s (с.к.о.). Этот параметр наиболее полно удовлетворяет требованиям качественной оценки при измерении случайных и полигармонических процессов, не зависит от фазовых соотношений сигналов и является их энергетической характеристикой.
В заключении следует сказать, что использованные в данном исследовании технические средства регистрации и преобразования пульсаций давления обладают достаточной надежностью и стабильностью метрологических характеристик. Они могут служить основой для формирования измерительного канала в системе вибромониторинга турбоагрегата.
Характеристика турбины К-200-130
Паровая конденсационная турбина типа К-200-130 без регулируемых отборов пара, с промежуточным перегревом пара и регенеративным устройством мощностью 200 МВт (номинальная), до 215 МВт (максимальная), предназначена для непосредственного привода генератора переменного тока частотой 50 Гц, при работе блока с котлом 670 т/ч.
Турбина имеет 7 нерегулируемых отборов пара, предназначенных для подогрева питательной воды в подогревателях низкого давления, деаэраторе и подогревателях высокого давления до 240 ˚C, при номинальной нагрузке турбины. Допускаются дополнительные отборы пара сверх отборов на регенерацию. Турбина допускает длительную работу при одновременных отключениях (в любых состояниях) параметров от номинальных в следующих пределах:
Начальное абсолютное давление пара
12,26-13,24 МПа
Начальная температура пара
555-570 ˚C
Турбина также допускает кратковременную работу (не более 30 мин) при отключении давления свежего пара (13,24-13,73 МПа), начальной температурой и температурой пара после промперегрева 571-575сС. Суммарная продолжительность работы турбины при этих параметрах не должна превышать 200 часов в год.
Турбина представляет собой одновальный агрегат, состоящий их 3 цилиндров: цилиндра высокого давления(ЦВД), который имеет 12 ступеней.
Промперегрев осуществляется между ЦВД и цилиндром среднего давления (ЦСД), имеющим 11 ступеней. Цилиндр низкого давления(ЦНД) двухпоточный и имеет по 4 ступени в каждом потоке. Длина рабочей части лопаток последней ступени 740 мм.
При среднем диаметре 2091 мм. Суммарная торцевая площадь одного полуторного выхлопа(включая верхний ярус последней ступени и последнюю ступень) составляет 7,64 м, а всего агрегата 15,28 м. Ротор высокого давления - цельнокованный. В роторе среднего давления первые 7 дисков откованы заодно с валом, четыре последних диска посадочные. Ротор высокого и среднего давления соединены между собой жёсткой муфтой и имеют общий средний подшипник. Роторы среднего и низкого давления соединены полугибкой муфтой. Турбина имеет сопловое парораспределение. Свежий пар подводится к двум отдельно стоящим паровым коробкам, в которых расположены клапана автоматического затвора. Из последних пар поступает по пароперепускным трубкам в паровые коробки регулирующих клапанов, вваренные в переднюю часть ЦВД. Паровпуск в ЦВД находится у стороны среднего подшипника. Соответственно этому лопаточный аппарат ЦВД выполняется осевого вращения.
После ЦВД пар направляется в промежуточный промперегреватель, а затем возвращается в турбину через стопорные и регулирующие клапаны ЦСД. Последние установлены непосредственно в цилиндре. Из ЦСД пар поступает, по 2 перепускным трубам, в среднюю часть ЦВД, в которой разветвляется на два потока. Каждый из потоков, пройдя соответствующую половину цилиндра, поступает в свой 
конденсатор. Оба конденсатора присоединяются к выхлопным патрубкам цилиндра путём сварки.
При отключении генератора или закрытии автоматических затворов должно производиться опорожнение промперегревателей котла путём автоматического открытия задвижек (время открытия не более 90 сек.) на оборотных линиях или горячих нитках промперегревателя в приёмное устройство конденсатора, помимо линии сброса пара из котла. Фикспункт турбины расположен на средней раме передней части ЦНД и расширение агрегата происходит в сторону переднего подшипника и незначительно в сторону генератора. Допускается промывка влажным паром проточной части турбины при пуске из холодного состояния. Так же допускается промывка влажным паром, пуск в работу через любое время после её остановки, что обеспечивается наличием валоповоротного устройства, вращающегося ротора турбины с частотой вращения 3,4 об/мин. Ориентировочное минимальное время пуска турбины из различных тепловых состояний (от толчка до взятия номинальной нагрузки) равно из холодного состояния- 6 ч. 00 мин; через 48 часов простоя- 4 ч. 30 мин; через 24 часа простоя- 2 ч. 20 мин; через 6-8 часов простоя- 1 ч. 00 мин.
1.Составление принципиальной тепловой схемы
блока и её описание
Принципиальная тепловая схема блока характеризует сущность основного технологического процесса преобразования и использования энергии рабочего тела электростанции. На паротурбинном энергоблоке эта схема включает: котельный и турбинный агрегаты с электрическим генератором и конденсатором. Принципиальная тепловая схема включает также насосы для перекачки рабочего тела (теплоносителя) и вспомогательное оборудование: питательные насосы котла, конденсатные насосы турбины, регенеративные подогреватели.
Основное и вспомогательное тепловое оборудование объединяется в принципиальной тепловой схеме линиями трубопроводов для воды и пара в соответствии с последовательностью движения рабочего тела в установке.
В принципиальной тепловой схеме блока несколько одинаковых агрегатов и установок изображаются одним агрегатом или установкой; резервное оборудование в эту схему не вьслючают; в ней показывают лишь принципиальные связи (коммуникации) между оборудованием, необходимые для осуществления основного технологического процесса.
Блок 200 МВт имеет одноступенчатый промежуточный перегрев пара. Турбоагрегат К-200-130 ЛМЗ имеет три цилиндра: высокого (ЦВД), среднего (ЦСД) и низкого давления (ЦНД). Цилиндр среднего давления, в свою очередь, состоит из ЦСД и ЦНД, рассчитанного на пропуск одной трети расхода пара в конденсатор; цилиндр низкого давления - двухпоточный. Начальные параметры пара взяты соответствии по номинальным значениям 12,75 МПа, 545 °С, промежуточный перегрев пара при давлении 1,9 МПа и температуре 545 °С на выходе из ЦВД, конечное давление 0,0035 МПа. Котел барабанного типа. Предусмотрено восемь регенеративных отборов пара из турбины. В схему включены: три регенеративных подогревателя высокого давления; деаэратор 1,0 МПа, питаемый паром из четвертого отбора и четыре регенеративных подогревателя низкого давления поверхностного типа. Из ПВД дренаж сливается каскадно в деаэратор; из ПНД №5 в ПНД №6 каскадно в ПНД №7, а из ПНД №8 - в конденсатор турбины.
![]()  | 
 
![]()  | 
 
 ![]()  | 
 
2. Расчет принципиальной тепловой схемы при номинальном режиме
2.1. Баланс пара и конденсата в схеме станции
Похожие работы
- 
							Сетевые методы планирования и управления 2
							
Министерство Образования РФ Южно-Уральский Государственный Университет Кафедра РТС пояснительная записка к Курсовому проекту по курсу «Сетевые методы планирования и управления»
 - 
							Экономические обоснования организации зоны ТО и ТР для автомобилей ЗИЛ-5301
							
Оглавление Наименование раздела. Страница. 1.Введение. 2.Исходные данные 3. Раздел I. Определение капитальных вложений 4.Раздел II. Организация труда и заработной платы
 - 
							Расчет трудоемкости ремонтных работ
							
Министерство образования РБ Ишимбайский нефтяной колледж ОРГАНИЗАЦИЯ И ПЛАНИРОВАНИЕ РЕМОНТА ЭЛЕКТРООБОРУДОВАНИЯ Курсовая работа Пояснительная записка
 - 
							Полномочия президента республики Беларусь в бюджетном процессе
							
В соответствии со статьей 19 Закона "О бюджетной системе Республики Беларусь" [8] бюджетный процесс – это регламентированная Конституцией деятельность государственных органов по составлению, рассмотрению, утверждению и исполнению бюджетов.
 - 
							Расчет затрат на техническую подготовку производства по модернизации токарно-револьверного станка
							
Даны характеристики групп новизны, сложности устройства и его сборных единиц рассчитывается трудоёмкость конструкторской и технологической подготовки производства, затрат на изготовление и испытание опытного образца и пр.
 - 
							Разработка мероприятий по повышению эффективности функционирования проектно-строительной фирмы
							
МИНИСТЕРСТВО ОБРАЗОВАНИЯ РОССИЙСКОЙ ФЕДЕРАЦИИ ГОСУДАРСТВЕННОЕ ОБРАЗОВАТЕЛЬНОЕ УЧРЕЖДЕНИЕ ВЫСШЕГО ПРОФЕССИОНАЛЬНОГО ОБРАЗОВАНИЯ ТЮМЕНСКИЙ ГОСУДАРСТВЕННЫЙ НЕФТЕГАЗОВЫЙ УНИВЕРСИТЕТ
 - 
							Организационно-экономическое обоснование схемы энергоснабжения потребителя
							
МИНИСТЕРСТВО ОБРАЗОВАНИЯ И НАУКИ РОССИЙСКОЙ ФЕДЕРАЦИИ КАЗАНСКИЙ ГОСУДАРСТВЕННЫЙ ЭНЕРГЕТИЧЕСКИЙ УНИВЕРСИТЕТ Кафедра ЭОП Курсовая работа по курсу «Организация производства
 - 
							Расчет стоимости возведения наружных стен
							
ЭКОНОМИКА 1. Пояснительная записка В настоящем дипломном проекте производится сравнение двух вариантов методов возведения наружных стен. Вариант А. Устройство наружных стен – кирпич пустотелый (толщ.=250мм), эффективный утеплитель (толщ.=150мм).
 - 
							Теория экономического анализа
							
Порядок документального оформления результатов анализа. Особенности и цели применения способа сравнения в экономическом анализе. Принципы организации поиска и подсчета резервов: научность, комплексность и системность, оперативность, сбалансированность.
 - 
							Краткосрочное кредитование
							
Основные условия краткосрочного кредитования. Краткосрочное кредитование юридических лиц. Примерный перечень документов для представления в Газпромбанк в целях рассмотрения возможности выдачи кредита.
 


